The function of Servo Amplifiers
The servo amplifier compares, amplifies, and processes the input command signal and system feedback signal (both voltage-based). It outputs a control current (proportional to the deviation voltage) to the servo valve’s torque motor coil, adjusting the spool opening and providing current limiting protection.
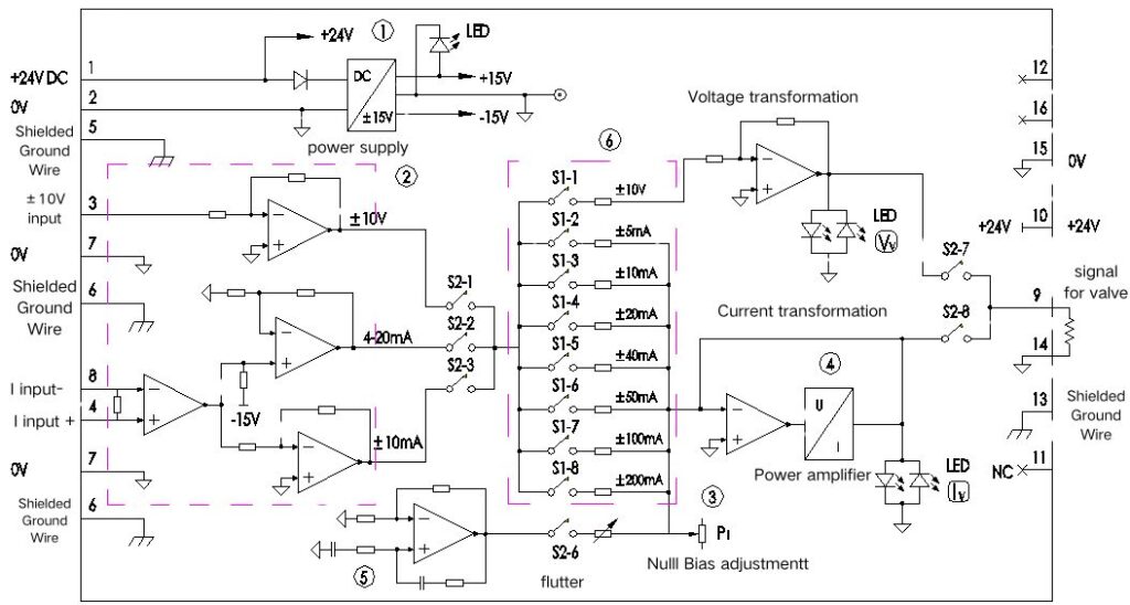
Technical Requirements for Servo Valves
Given that servo valves feature motor coils with a large number of turns and high inductive reactance, the servo amplifier must adopt deep current negative feedback design. Only systems with low response requirements can use voltage feedback amplifiers.
Current negative feedback amplifiers offer high output impedance. When paired with the servo valve coil (forming a first-order lag element), the high output impedance increases the element’s operating frequency—minimizing impact on the servo valve’s frequency bandwidth. The general schematic of the amplifier’s power stage output is shown below.
While specific requirements for servo amplifiers vary across different servo systems (e.g., different correction circuits, gain ranges, and additional functions), the following core requirements must be met to ensure reliable operation of the servo valve:
- Current Limiting Protection
Equipped with maximum output current limitation to prevent coil damage or valve malfunctions caused by excessive current. The servo valve should withstand a load of 2x the rated current.
2. Output Zero Adjustment
A zero-adjustment potentiometer is required. Servo valves typically allow a 2% zero offset under normal operation, with potential zero drift due to varying working conditions. The zero offset tolerance can reach 5%–6% over the valve’s service life, so the zero-adjustment mechanism must support ±10% of the rated current output range.
3. Optional Function
Some servo valves and systems require the amplifier to integrate a dither signal generation circuit.
4. Connection & Circuit Specifications
- Avoid excessive bypass or leakage capacitors at the output terminal to prevent unwanted resonance with the servo valve coil’s inductive reactance.
- Parallel connection between the servo valve coil and the amplifier is recommended, as this configuration ensures higher reliability and minimal inductance.




