Bidirectional hydraulic lock RTHVB0028

  • Maximum pressure : 350 bar
  • Max. flow rate: 30L/min
  • Control ratio: 7:1/4:1/3:1
  • Typical application: excavator

Product Overview

The RTHVB0028 hydraulic lock is typically installed in the large chamber of an excavator’s bulldozer cylinder. It offers excellent sealing performance, a large opening ratio, and is energy-efficient and environmentally friendly. This valve, available in a variety of pilot ratios, is typically used in the hydraulic lock of an excavator’s bulldozer blade, ensuring that the bulldozer cylinder does not lose pressure or retract during operation, maintaining a stable and reliable excavator body.

Technical Parameters

Technical Parameters
Work pressure 350bar
Rated flow 30L/min
Adjustable pressure range 200~350bar
Pilot ratio 7:1/4:1/3:1
Working ambient temperature -20-90℃

Working principle and technical features

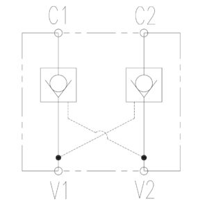
The RTHVB0028 hydraulic lock consists of two hydraulically controlled check valves, offering excellent locking performance. Normally, oil can flow freely from V1 to C1 or from V2 to C2, while the reverse direction is blocked. When oil is required to flow from C1 to V1, the pressure from V2 pushes the piston’s pressure surface, dislodging the valve core from its seat and enabling reverse flow. To ensure reliable valve closure, pressure must be relieved from ports V1 and V2 to the tank when the directional valve is in the neutral position.

Working principle RTHVB0029 Working principle

Technical Features:
· Reliable check valve core, hardened and ground valve core components, and ultra-low leakage.
· The valve body is constructed of continuously cast ductile iron, offering excellent wear resistance and long valve life.